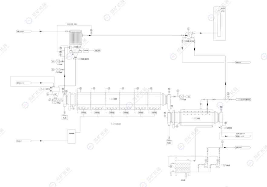
该生产线以回转窑为核心干燥设备,主要用于去除电池级碳酸锂滤饼中的游离水和结晶水。工艺流程如下:湿物料经螺旋喂料机均匀送入回转窑进料端;窑体在电机驱动下缓慢旋转并呈微倾斜状,物料在重力与抄板作用下向前移动;窑尾燃烧器提供热风,物料在逆流或顺流接触中完成热交换与脱水;干燥后的成品从窑头排出,经冷却、筛分后进入包装工序;尾气则经过旋风除尘及布袋除尘处理达标排放。该工艺具有连续性强、热效率高、产品一致性好的特点。
产能:500t/a、1000t/a、3000t/a、5000t/a、10000t/a
加热方式:天然加热、电加热
适用范围:电池级碳酸锂、工业级碳酸锂、氢氧化锂等锂盐湿基粉体
1. 含水率精准可控:针对碳酸锂粉体易吸潮、干燥精度要求高的特点,采用恒温热风闭环控温,成品含水率稳定,避免过干结块或含水率超标,满足电池级锂盐严苛质控要求。
2. 粉体完整性好:采用温和对流干燥,无强机械剪切,避免粉体破碎、粒度异变,保留原有晶型与粒度分布,保障后续锂电配料加工性能。
3. 洁净无尘无污染:全流程密闭负压作业,搭配布袋除尘回收细粉,防止粉尘外泄、减少物料损耗,保证产品纯度。
4. 防粘防堵易运维:主机内壁防粘处理,优化流场设计,杜绝粘壁、堵料,设备清理少、运维简便。
5. 节能降耗适配性强:热风余热循环利用,能耗更低;可适配不同湿含量、不同粒度碳酸锂,参数可调,兼顾干燥效率与运行成本。
湿料预处理→计量进料→密闭干燥→余热回收→冷却均质→筛分除杂→成品转运→尾气净化

请留下您想咨询的设备或信息,我们会尽快安排人员联系您!
工业园区:河南省荥阳市乔楼蔡寨工业区
郑州办公区:郑州市西三环279号国家大学科技园东区13号楼15楼
